Татьяна Хамзина
В эпоху цифровой трансформации, когда искусственный интеллект проникает во все сферы деятельности, вопрос о полной автоматизации проектирования схем углеобогащения приобретает особую актуальность. Сегодня это скорее амбициозная цель, нежели повсеместная практика, однако прогресс в смежных областях позволяет с оптимизмом смотреть в будущее.

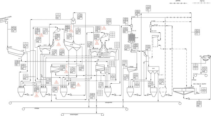
Углеобогащение — ключевой этап подготовки угля к дальнейшему использованию — позволяет значительно повысить качество конечного продукта, удаляя пустую породу и нежелательные примеси. Традиционно проектирование схем углеобогащения — сложный и трудоёмкий процесс, требующий глубоких знаний и опыта. Необходимость учитывать множество факторов, таких как характеристики исходного сырья, требования к конечному продукту, экономические ограничения и экологические нормы, обусловливает потребность в применении современных методов. Современные подходы к проектированию схем углеобогащения включают в себя:
— математическое моделирование;
— компьютерное моделирование;
— оптимизационные алгоритмы.
Эти инструменты позволяют более точно прогнозировать результаты обогащения, оптимизировать параметры технологического процесса и снизить эксплуатационные затраты.
Что это такое простыми словами?
Это как «умный калькулятор», который помогает инженерам выбрать наилучший способ обогащения угля. Вместо того чтобы вручную перебирать десятки вариантов, просчитывать все параметры и тратить уйму времени, специальная программа делает это за них. Она анализирует характеристики угля (его состав, размер частиц, содержание примесей) и предлагает оптимальную схему обогащения, учитывая все нюансы.
Как схема обогащения угля работает в идеале?
В основе лежат сложные математические модели, имитирующие процессы обогащения, которые учитывают множество факторов:
— характеристики угля: содержание золы, серы, влаги, размер фракций, плотность и другие параметры;
— типы оборудования: грохоты, дробилки, отсадочные машины, флотационные машины, магнитные сепараторы и т. д.;
— технологические параметры: расход воды, реагентов, энергопотребление, производительность;
— экономические показатели: стоимость оборудования, эксплуатационные расходы, цена конечного продукта.
Программа моделирует различные варианты схем, оценивает их эффективность и экономическую целесообразность, а затем выдаёт инженеру готовое решение с подробным описанием и рекомендациями.
Автоматизация проектирования схем обогащения угля: зачем это нужно?
— Экономия времени и денег: автоматизация позволяет значительно ускорить процесс проектирования обогатительных фабрик. Это значит, что новые фабрики запускаются быстрее, а существующие модернизируются без лишних затрат.

— Повышение эффективности: программа находит самые выгодные комбинации оборудования и технологий, чтобы извлечь максимум концентрата и минимизировать потери. Это напрямую влияет на прибыль предприятия.
— Улучшение качества угля: точный расчёт схемы позволяет добиться более высокой степени обогащения, что важно для дальнейшего использования угля в энергетике или металлургии.
— Снижение рисков: автоматизированный подход уменьшает вероятность ошибок, которые могут возникнуть при ручных расчётах. Это делает процесс более надёжным и предсказуемым.
— Гибкость и адаптивность: схемы обогащения могут меняться в зависимости от добываемого угля. Автоматизированные системы легко адаптируются к новым условиям, предлагая актуальные решения.

На сегодняшний день отсутствуют программные средства, способные в полной мере реализовать полностью автоматизированный цикл проектирования схем углеобогащения без участия инженера-технолога-обогатителя. Ни одна из существующих систем не способна взять на себя полный цикл принятия решений — от анализа состава исходного угля до разработки окончательной технологической схемы с выбором методов обогащения, подбором оборудования, определением режимов работы и оценкой экономической эффективности — без ручного вмешательства.
Программы, используемые в практике (например, LIMN, JKTech MINE, GEMS, Process Integration Tools, MineSight, HSC Chemistry), предназначены для моделирования уже заданной схемы. Они позволяют провести детальный расчёт баланса, оценить извлечение, потери, зольность концентрата и хвостов, а также спрогнозировать энергопотребление и реагентообеспеченность. Однако весь этот процесс начинается с того, что пользователь должен вручную определить:
— какие методы обогащения использовать и в каком порядке;
— какие классы подвергать обогащению;
— какие параметры задавать — диапазон плотности, время контакта, подача реагентов и т. п.
Автоматическое определение оптимальной технологической схемы остаётся за пределами возможностей современного программного обеспечения. Это связано с тем, что каждый тип угля имеет уникальные физико-химические особенности, на которые нельзя ответить одним общим алгоритмом. Например, один и тот же показатель зольности может давать разный эффект в зависимости от формы частиц, плотности, наличия органического углерода, а также от условий обогащения и т. д.
Даже передовые исследования в области программного обучения, направленные на поиск оптимальных схем углеобогащения, пока не вышли за рамки академических публикаций. Они работают на ограниченных массивах данных, не учитывают реальных производственных ограничений и не способны адекватно реагировать на нестандартные ситуации, характерные для разных углеобогатительных фабрик.
Более того, без контроля со стороны квалифицированного профильного специалиста автоматизированный расчёт может выдать ложноположительный результат: например, идеальный выход концентрата, который в реальности невозможен из-за чрезмерных потерь на флотации, или схему, нереализуемую из-за чрезвычайно высоких энергозатрат или несоответствия параметрам оборудования.
Таким образом, хотя автоматизация значительно упрощает расчёты, она остаётся вспомогательным инструментом. Реальное проектирование — это не выполнение алгоритмов, а принятие обоснованных решений, основанное на опыте, интуиции и глубоком понимании процессов. Полная же автоматизация — это цель, к которой стремятся, но которую пока никто не достиг. Весь комплекс расчётов, даже выполненный в программе, требует обязательной проверки инженером-обогатителем. Без этого даже самые красивые графики и таблицы становятся пустой цифрой, не имеющей значения для производства.
В итоге программный автоматизированный цикл проектирования схем углеобогащения — это не просто модная технология, а мощный инструмент, который позволяет угольным предприятиям работать умнее, эффективнее и экономичнее. Это шаг к более рациональному использованию природных ресурсов и повышению конкурентоспособности отрасли.
